Follow Us:

Products
63A Combination Rotary Cam Switch
  • 63A Combination Rotary Cam Switch63A Combination Rotary Cam Switch
  • 63A Combination Rotary Cam Switch63A Combination Rotary Cam Switch

63A Combination Rotary Cam Switch

With over 30 years of industry experience, YAMING (Zhejiang Yaming Electric) leverages its strong technical capabilities and rigorous quality control to create the HZ5 series 63A Combination Rotary Cam Switch. This product is compatible with 50Hz AC systems, with a rated voltage of 380V AC/240V DC and a current of 63A. It boasts stable and efficient performance, full customization options, and can perform circuit switching and motor drive functions. As a professional manufacturer originating from China, YAMING is a trusted electrical switch supplier for customers worldwide.

YAMING has been deeply involved in the electrical switch field for over 30 years, becoming a trusted leader in the industry through solid experience and stringent quality control. As a manufacturer rooted in China, we strictly control product quality throughout the entire process to ensure the safety and reliability of our 63A Combination Rotary Cam Switch. Our factory is equipped with cutting-edge equipment and a professional team, enabling large-scale, refined production and rapid response to market demands. With our professional strength, we have become a trusted supplier for customers worldwide.


Product Core Parameters


YAMING 63A Combination Rotary Cam Switch (HZ5 Series) core parameters have undergone rigorous testing and are suitable for various scenarios, as detailed below:


- Applicable Systems: Designed specifically for 50Hz AC systems, compatible with DC scenarios, offering wide adaptability;


- Rated Parameters: Rated voltage up to 380V AC/240V DC, current 63A, strong load-bearing capacity;


- Core Features: Advanced cam structure, smooth operation, ensuring stable circuit switching and eliminating signal interruption.


Core Functions


- Circuit Control: Enables manual intermittent circuit switching, control, and conversion, with convenient operation;


- Motor Drive: Can directly drive small AC motors, simplifying layout and reducing costs;


- Comprehensive Adaptability: Combines main control and metering functions, supports motor speed regulation;


- Customization Service: The number of poles and gears can be customized to meet individual needs.


Applicable Scenarios


This 63A Combination Rotary Cam Switch is widely used in industrial automation, electrical equipment, and other fields. It is compatible with machine tools, water pumps, and other equipment, catering to both complex commercial and industrial operating conditions, and is a high-performance, cost-effective switching solution.


Product Advantages


1. Technological Advantages: Integrating over 30 years of technological accumulation, high-quality components combined with advanced processes ensure stability, durability, and a long lifespan.


2. Quality Advantages: Strict quality control throughout the entire process eliminates substandard products, ensuring reliable quality.


3. Customization Advantages: Supports full customization, precisely matching customer scenarios and parameter requirements.


4. Service Advantages: Leveraging a complete supply chain and professional team in China, it provides timely technical support and after-sales guarantee.


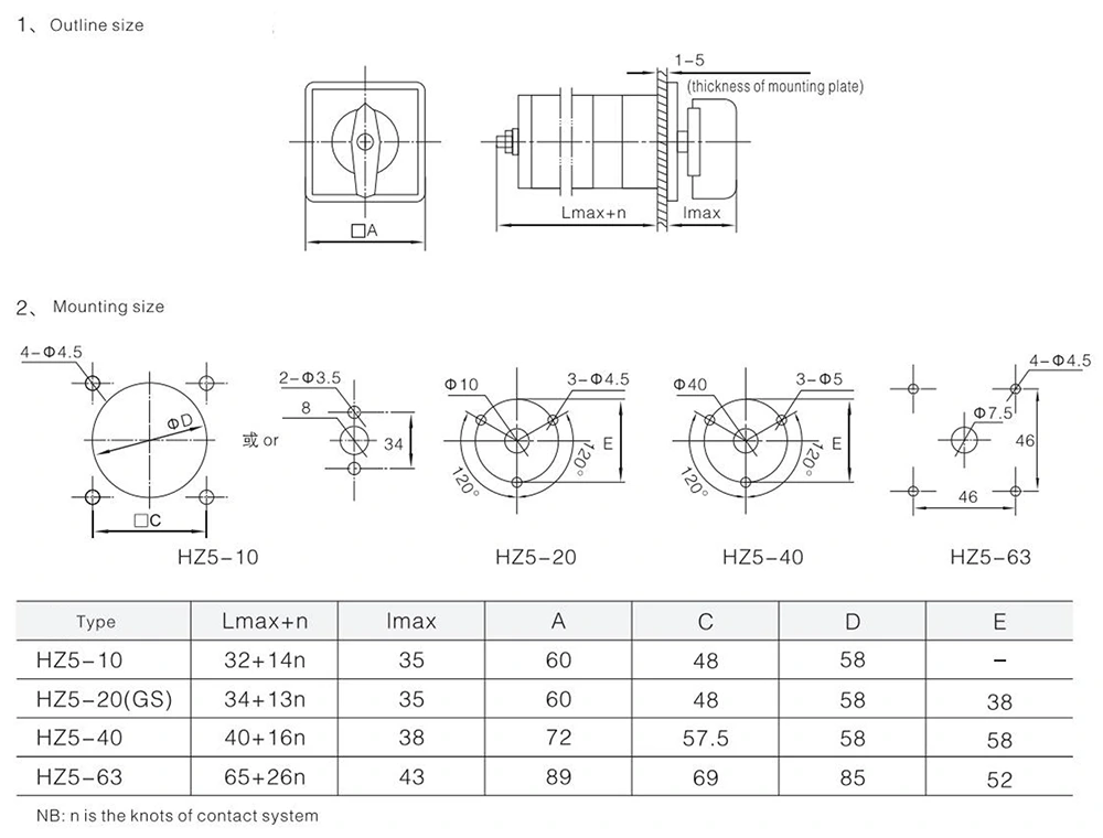
Product outline size installation size



Brand Commitment


As a local Chinese manufacturer, YAMING is committed to "professionalism, reliability, and innovation." With over 30 years of experience, advanced factory capabilities, and stringent quality control, YAMING provides high-quality products and solutions to global customers, striving to become a long-term trusted partner.



Hot Tags: 63A Combination Rotary Cam Switch China, Manufacturer, Supplier, Factory
Send Inquiry
Contact Info
If you have any enquiry about quotation or cooperation, please feel free to email or use the following inquiry form. Our sales representative will contact you within 24 hours.
X
We use cookies to offer you a better browsing experience, analyze site traffic and personalize content. By using this site, you agree to our use of cookies. Privacy Policy
Reject Accept